- ВСА
- Siemens
-
Прософт Системы
-
REGUL R050
- Модули аналогового ввода REGUL R050
- Модули центрального процессора REGUL R050
- Модули аналогового вывода REGUL R050
- Модули дискретного ввода REGUL R050
- Модули дискретного вывода REGUL R050
- Модули источника питания REGUL R050
- Модули коммуникационного процессора REGUL R050
- Модули интерфейсные REGUL R050
- REGUL R400
-
REGUL R500
- Модули дискретного ввода REGUL R500
- Модули источника питания REGUL R500
- Модули центрального процессора REGUL R500
- Модули коммуникационного процессора REGUL R500
- Модули аналогового ввода REGUL R500
- Модули аналогового вывода REGUL R500
- Модули дискретного вывода REGUL R500
- Модули шасси REGUL R500
- Клеммные колодки REGUL R500
- Модули оконечные REGUL R500
- DIN-рейки для ПЛК REGUL R500
- Модули счета импульсов REGUL R500
- Модули комбинированные REGUL R500
- Блок расширения сетевых портов ЦПУ REGUL R500
-
REGUL R050
- TREI
- RealLab
- Phoenix Contact
- СКБ Промавтоматика
- Allen-Bradley
- Pepperl+Fuchs
- Schneider Electric
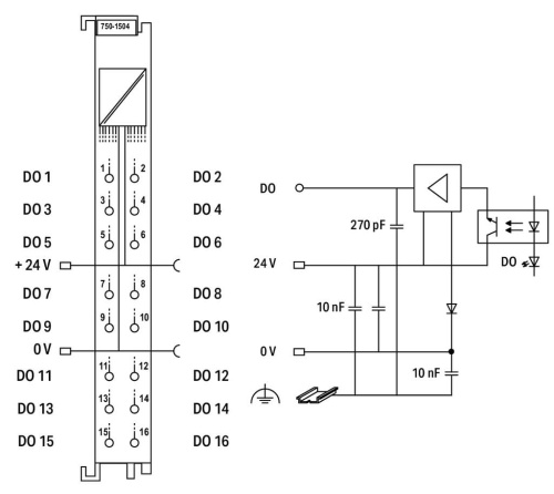
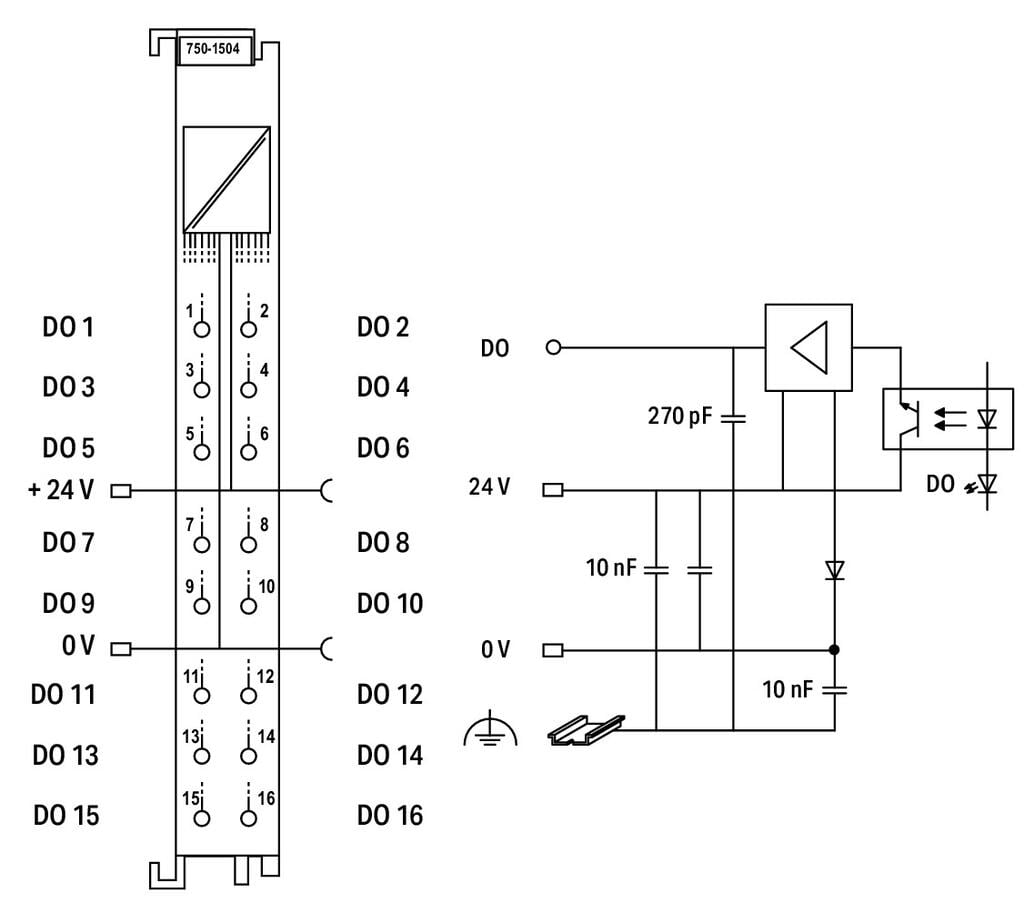
- Wago
- MOXA
- MTL
- ОВЕН
- Chenzhu
- CAMOZZI
- Emerson
- Flowserve
- SMC
- Masoneilan
- Eckardt





